马云持股的股票有哪些-医药类股票龙头有哪些-【东方资本】,哪个股票可以当天买卖,股票买入当日能卖出吗,股票怎么配资加杠杆操作呢

Search

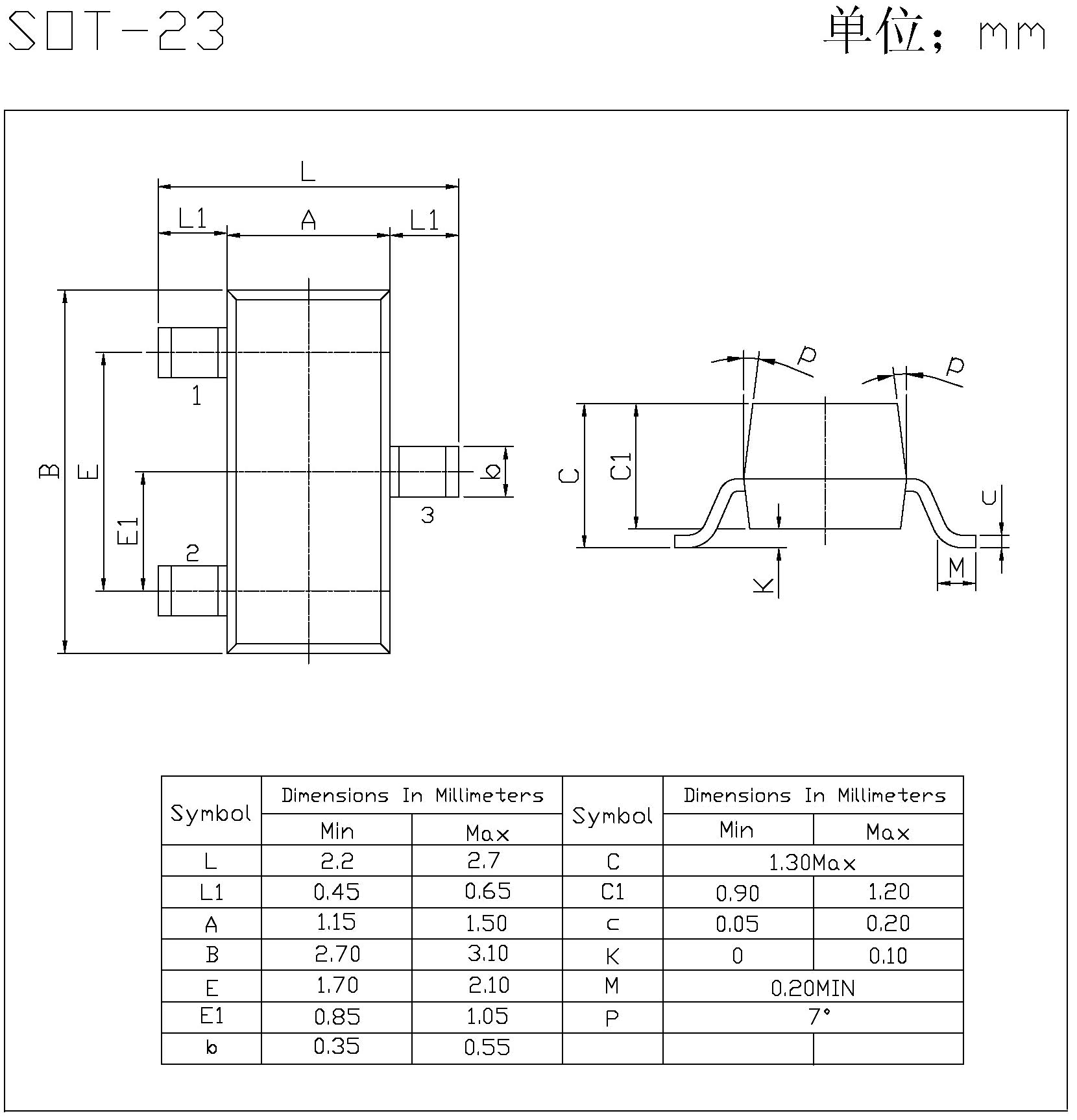
Package

Domestic professional research and development manufacturer of semiconductor devices

SOT-23 Detailed introduction